This thread has been locked.

If you have a related question, please click the "Ask a related question" button in the top right corner. The newly created question will be automatically linked to this question.

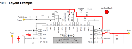
这个PMOSFET是否方向用反了,如何控制输入电源开关?



这个PMOSFET是否方向用反了,MOSFET内部的二极不是直接导通了么?如何控制输入电源开关?我也看到有些电路图是这样画的,一直搞不明白,请给指点下?