



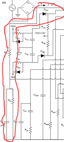
我设计的一个电源3KW,最大占空比97%,频率65K,带载3KW时电流有畸变,帮我分析一下是什么原因,我的电流采样电路在上方,还有一个问题是VINAC有两种方式,1:采集整流桥输出电压接采样分压电阻,2:采集LN的电压通过两个二极管接采样分压电阻那种方式是对的。
This thread has been locked.
If you have a related question, please click the "Ask a related question" button in the top right corner. The newly created question will be automatically linked to this question.




我设计的一个电源3KW,最大占空比97%,频率65K,带载3KW时电流有畸变,帮我分析一下是什么原因,我的电流采样电路在上方,还有一个问题是VINAC有两种方式,1:采集整流桥输出电压接采样分压电阻,2:采集LN的电压通过两个二极管接采样分压电阻那种方式是对的。
您好
当前的情况是,在接近零交叉点时,电感器开始以不连续导通模式(DCM)运行。在DCM模式下,集成电路(IC)检测到的平均电流更大。因此,电流补偿器会尝试降低占空比以维持平均值,导致占空比开始下降。当进入连续导通模式(CCM)后,控制器会检测到正确的平均值并进行自我修正。您可以尝试增大电感值或提高开关频率,观察DCM区域是否开始减少。如需了解此调整是否改善了电流波形,请告知我。