Other Parts Discussed in Thread: BQ78706, BQ79616, TIDA-010279
明白了,不好意思是我的原因造成您的困惑,我是参考BQ78706设计的BQ79616;
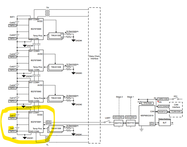
我又发现个新问题:TIDA010279设计中BQ78706电芯路数是18S,但是DATASHEET中却是14S,这又是为什么呢?
This thread has been locked.
If you have a related question, please click the "Ask a related question" button in the top right corner. The newly created question will be automatically linked to this question.
Other Parts Discussed in Thread: BQ78706, BQ79616, TIDA-010279
明白了,不好意思是我的原因造成您的困惑,我是参考BQ78706设计的BQ79616;
我又发现个新问题:TIDA010279设计中BQ78706电芯路数是18S,但是DATASHEET中却是14S,这又是为什么呢?
您好,
我注意到参考设计中用的电芯数如图所示,如果有哪里写的18s,请截图告诉我,
https://www.ti.com.cn/cn/lit/ug/zhcucn9/zhcucn9.pdf?ts=1762419496424

您好,
遗憾的是、我没有绘制 TIDA 参考设计、因此我不确定为什么这样描述。 最大连接至 14S 的器件、因此为避免混淆、您可以忽略连接的额外电芯。
不过、看起来电芯全部与 BAT 相连/组合在一起、红色轮廓与 BAT 相连。 此外、上面器件上的引脚标签仍然会将 VC15-18 显示为 BAT、这是正确的。 因此、这看起来仍然是针对 14S 进行配置的。