Other Parts Discussed in Thread: TPS61021EVM-723
您好!
This thread has been locked.
If you have a related question, please click the "Ask a related question" button in the top right corner. The newly created question will be automatically linked to this question.
您好!
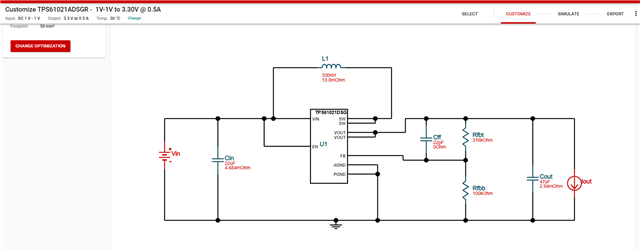
您好!感谢您回复,这边也是参考WEBENCH仿真电路来设计的,器件的选型也是参考BOM来,参考如下,这芯片有没出现过某批次出过这样的问题呢。感谢!


关于批次质量问题,请联系客服部门咨询一下
感谢您回复,想了解下目前的参考设计,不带负载情况下静态电流60uA左右是否正常呢,感谢!
静态电流典型值17uA,最大值30uA,60uA确实有点高。
感谢您回复,如果把输入电压提高至2V时,静态电流会降至31uA,输入电压的高低会影响静态电流这么大?请问这正常吗?有什么方式可以排除问题呢,再次感谢您!
输入电压降低,确实会使静态电流下降,符合数据手册的Figure 6. Quiescent Current into VIN vs Input Voltage。
还是得按照WEBENCH的电路进行设计,包括BOM表的选型。
可能您理解错误我的意思了,目前发现的是输入电压越低,静态电流越高,和您描述和数据手册刚好相反,所有的设计都是参考WEBENCH,包括BOM材料选型,现在静态电流就是无法达到标准值。感谢!
如果是严格按照WEBENCH的设计,正常来讲不会出现这种现象。电压降低,电流变高,这里面可能不光是静态电流了。
也有可能PCB布局方面存在问题,如果有条件,可以和开发板对比一下,TPS61021EVM-723,这样能较快找到问题。