This thread has been locked.
If you have a related question, please click the "Ask a related question" button in the top right corner. The newly created question will be automatically linked to this question.
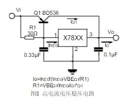
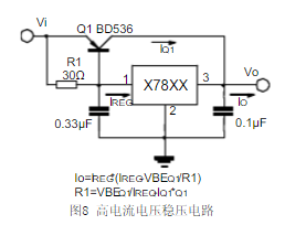
短路保护电路实验后,Q1很烫,好像不能起作用。
Q1很烫,可能是它的功耗太大了,输入、输出电压多少
短路后Q1的电流波形有测试吗?