This thread has been locked.

If you have a related question, please click the "Ask a related question" button in the top right corner. The newly created question will be automatically linked to this question.

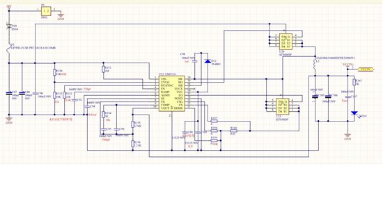
LM5116输出5V电压问题

Other Parts Discussed in Thread: LM5116

LM5116的两个问题:

1、输出5V电压,实际测只有4.96V.导致后面的隔离元件时间长了发热。

3、比较严重的问题是PCB有异响,类似滋滋声,网上查了下有可能是电感啸叫,请帮忙分析下怎么消除。

SOURCE1.7z