Part Number: BQ4050
Other Parts Discussed in Thread: BQSTUDIO
HI TI的专家们:
我们采用BQ4050设计了一个3S3P的锂电池BMS,并将其配置为固定EDV模式,设定了EDV0/1/2的电压阈值。
我们期望的是放电末端的EDV2/1/0修正按照最低的那节电池电压的方式修正,但在实际测试中发现无论怎么修改配置,放电末端的修正均是按照平均电压的方式。


gg配置文件详见附件。烦请您协助分析问题可能出在何处?!
谢谢
SOC=7%对应的电压作为 EDV2,看一下下方链接75页 Fixed EDV 固定 EDV部分
你好,我们设定的EDV2是SOC=9%,不是默认的7%;
如上述我的问题,BQ4050是否可以设置为使用单电芯电压(最低节电芯电压)校正EDV2/1/0的方式?而不是用3节的平均电压校正!如果可以,我附件的电池配置什么不生效?
谢谢
上方给您发的指导链接2.5 CEDV 电量计开发和量产流程

你好,这个是在设计开发过程中的导入方法,那么电池组目前已经已处于量产阶段,是否还可以改成为电芯电压平滑的方式呢?
我们的EDV_PACK已经配置为Cell-based模式,但是目前没有生效!
你提到的NumCellSeries和VoltageColumn在gg文件中没有对应的配置选项。
NumCellSeries和VoltageColumn是基础参数.
如果EDV_PACK=0,那么EMF和EDVR0在写入数据闪存时不需要乘以串行单元的数量, 你再检查一下.
不好意思,没有明白你的意思!
那么,从我提供的gg文件中是否可以看出为什么EDV修正的Cell-based模式不生效吗?
我的意思是您的CEDV参数里面的EMF, R0是怎么得来的? 如果您之前是按照电池包, 现在按照单节电池, EMF和R0也按照单节电池,不需要乘串联数这些.

EMF和R0是依据单电芯来做的;
提供的附件就是量产的电池gg文件资料,就我理解的里面所有的参数均指向是使用单电芯电压指向EDV修正,但是目前确没有起作用;
另外,我们配置的为固定EDV的方式(EDV_CMP=0),那么EMF、R0、C0等参数是否就应该不起作用了?
谢谢
我们帮您做了内部咨询,但是目前我们也没有收到结果。
如果有结果了,我们会回复到本贴。
你有显示这种行为的datalog吗?这样我可以仔细查看。请包含 VCx 电压和 BAT+ 电压,这样我可以比较阈值是否真的被触发。
我在你的 .gg 文件中确实看到 EDV 应该是基于电池的。
还要包括 CEDV 状态。理想情况下,你可以使用 bqstudio 一次记录所有这些列,这样我们就能全面了解发生了什么。
你好,这个附件里面有完整的充放电log记录,请基于这个确认一下,谢谢!
基于您的log,我们没有进展。
请提供之前上次回复需要您提供的内容。
你好,不知道你还需要我这边提供什么内容?我回看了下,你最近一次要的是完整的充放电log;我在2026/1/9 9:22的答复中已经附了完整的充放电log数据,请问下,你这边没有收到吗?如没有收到,还请答复,我再次上传附件!
问题已经提出将近2个月了,还请加快处理,谢谢!
你有显示这种行为的datalog吗?这样我可以仔细查看。请包含 VCx 电压和 BAT+ 电压,这样我可以比较阈值是否真的被触发。
我在你的 .gg 文件中确实看到 EDV 应该是基于电池的。
还要包括 CEDV 状态。理想情况下,你可以使用 bqstudio 一次记录所有这些列,这样我们就能全面了解发生了什么。
你好,请确认下我在2026/1/9 9:22的答复中附的放电数据是否有收到?
数据里面有完整的记录电池SOC,Battery Voltage,Current,Battery Temp,VC1~3,并将数据整理成了曲线!(这个数据是我们主板的MCU通过SMbus读取并记录的);
为了防止你可能没有收到,我再次上传,如收到,请答复一下,谢谢!
我查看了两个数据日志。我看到Cell3与其他两个相比非常不平衡。这就是你们希望PACK_EDV工作的原因吗?我认为,如果你们的一个cell比其他cell放电更多,那就另当别论了。如果cell3的电压过低,则仪表将触发CUV,以防止损坏单元3并关闭FET。
1.你们是否在cell3装载了仪表没有追踪到的其他东西?
2.电池的物理连接是否相同?
3.这三个电池都是新的/旧的吗?
关于数据日志,我希望看到BQstudio日志记录报告的CEDV值。这样我就知道该仪表是基于电池还是基于电池组的EDV来测量SoC(充电状态%)。但是,我在你的数据日志中看到,当cell3为2900mV时,SoC没有低于3%
我想补充的其他意见是,随着FG试图随着时间的推移提高SoC的准确性,EDV点可以根据配置而移动。我认为你可以将EDV_CMP设置为0,看看你是否报告了0%,但这将以准确性为代价。
是的,你的理解基本正确!因为我们的电池在市场使用中出现了压差,目前出现压差的原因我们还没有定位到,所以我们想要基于Cell Base的EDV模式,也即用容量最低的电芯定义Pack的容量,在电压最低电芯触发CUV前,将SOC修正到0%;
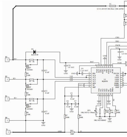
1、cell3除了连接BQ4050外,没有连接其它电路,电路图如下所示;

2、电池的物理连接是一样的,采用的是3S3P方式,电芯使用的是LG的三元锂电池;
3、三节电芯都是经过分档(5mV/3mΩ)后才组的电池包,提供的这个电池包已经使用了200cycles左右(gg文件中的Cyclecount在做循环测试时被充放电仪篡改了,请忽略异常值),也即这三节电池都还算是比较新的;
关于CEDV的值,我目前没有BQstudio的日志,我认为从我提供的放电曲线中可以判断出BQ4050是基于Pack电压而不是cell电压做的CEDV校正,理由如下:
①、我们设定的EDV2电压是3354mV,对应的Battery Low电量时9%,也即Pack电压为3354*3=10062mV;
EDV1电压是3205mV,也即Pack电压为3205*3=9615mV;
EDV0电压是3000mV,也即Pack电压为3000*3=9000mV;
②,从我们的放电数据中可以看到SOC是在Pack电压达到10061mV后电量变成9%,而此时最低电芯B3的电压是3285mV,已经远低于EDV2的3354mV阈值,而与3354mV*3的 10062mV Pack电压值吻合;

③、在Pack电压为9616mV时,SOC变为3%,此时B3电压已经低到了2941mV,经远低于EDV1的3205mV阈值,而与3205mV*3的9615mV Pack电压值吻合;

④、如下图放电曲线可以看到在电量达到9%(EDV2)后,电量的下降曲线明显变缓了,我认为这是CEDV的作用

如我附件提供的gg文件所示,我们CEDV Gauging Configuration配置的为0X12A3,也即EDV_CMP=0,测试结果并没有看到SOC变为0%;
还请再协助分析一下原因,谢谢!
这个没有试过,你是认为应该将EDV_CMP=0吗?我在当前基础上将EDV_CMP=0测试一下;
如果你能从BQstudio获取一份包含CEDV电压的数据日志,我们就能更清楚地了解当前情况。
你好,附件是我用BQstudio测试的数据,EDV_CMP=1后,EDV点有变更,既跟Pack电压不符,也跟cell电压不符,请查收确认!
你好,附件是我用BQstudio测试的数据,EDV_CMP=0后,EDV点跟Pack电压一致,CEDV测试验证数据(CMP=0)-20260305.xlsx请查收确认!
你好,不知道你问我这个问题的目的是什么!
如上面说的,我按照你建议的配置并没有看到预期的效果!目前无法看到基于cell的CEDV行为!
还请提供一些有营养的建议,谢谢!