BQ76952: BQ76952目前小批问题排查

Part Number: BQ76952


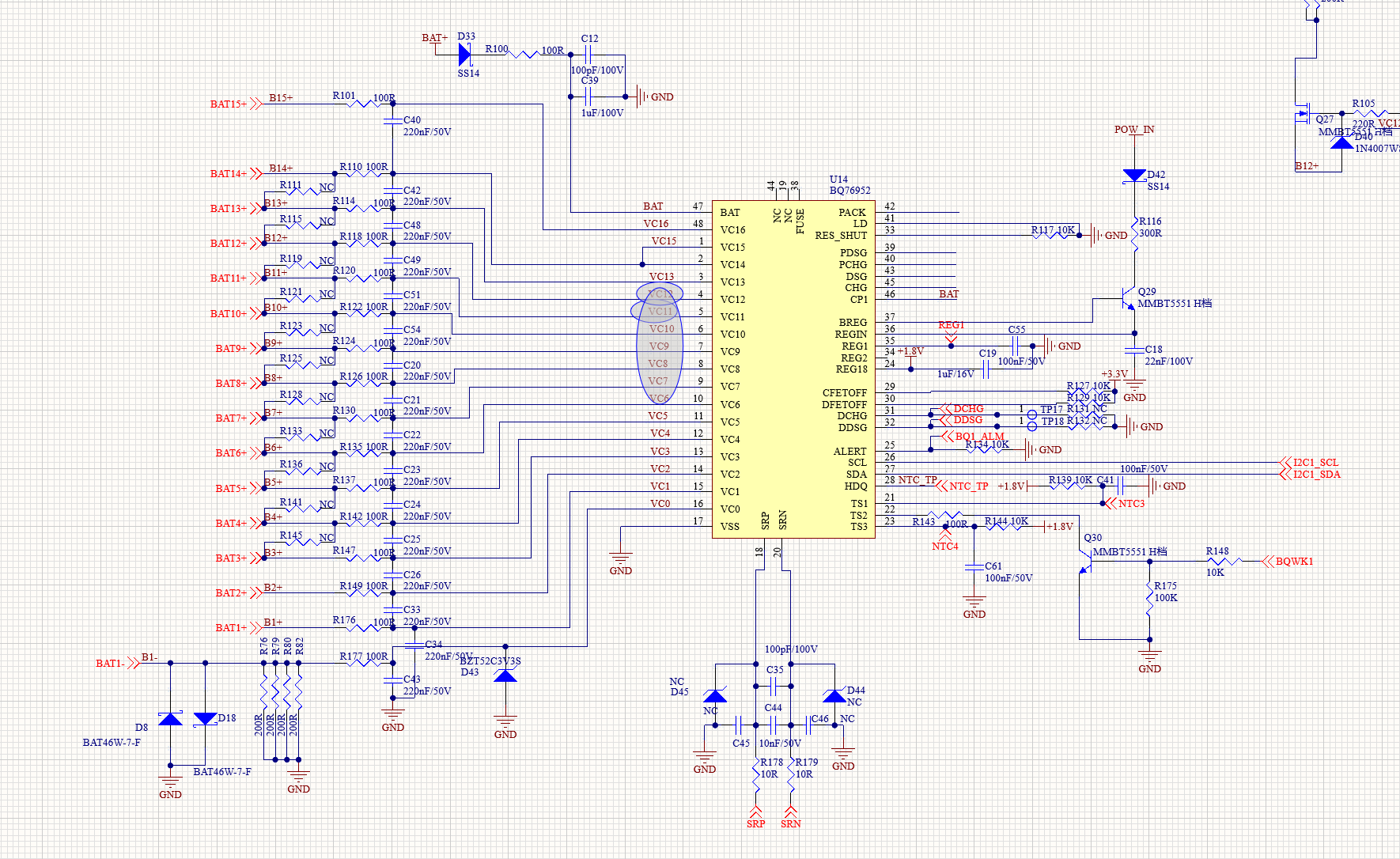
产品在客户端运行过程中突然烧了,然后现象比较一致,基本上都是VC 12到VC6芯片内部对地短路。一接485通信就看到冒烟了,1300台损坏6片,每片损坏通道数不一样,测量阻抗,电阻档有的能测出0R,有的是测量不出电阻,都是二极管档能量到一个1V左右对地的压降 。请给出一些排查建议。

_cgi-bin_mmwebwx-bin_webwxgetmsgimg__&MsgID=7780049192181522604&skey=@crypt_db46d813_043401c80e6bdbf9e83c4c484972b6de&mmweb_appid=wx_webfilehelper.jpg

SCH1.jpgSCH 2.jpg