Other Parts Discussed in Thread: BQ25820
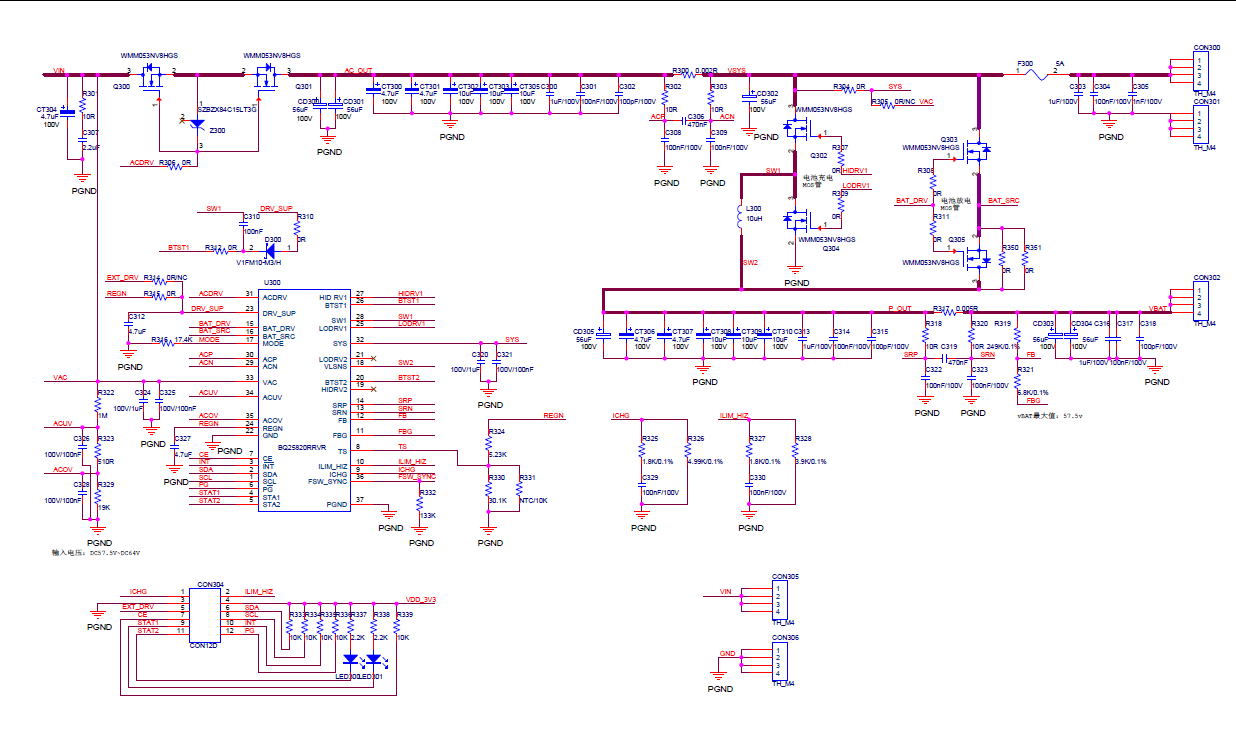
这是我基于BQ25820设计的充电板原理图,请帮我审核一下,谢谢!设计要求:输入电压:DC60V,输出电池充电最大电压:57.6V 充电电流最大12A
方便直接提供邮箱或其他联系方式吗?
您可以试试打印成PDF并上传该文件
我认为原理图没有出现任何明显的问题。