This thread has been locked.
If you have a related question, please click the "Ask a related question" button in the top right corner. The newly created question will be automatically linked to this question.
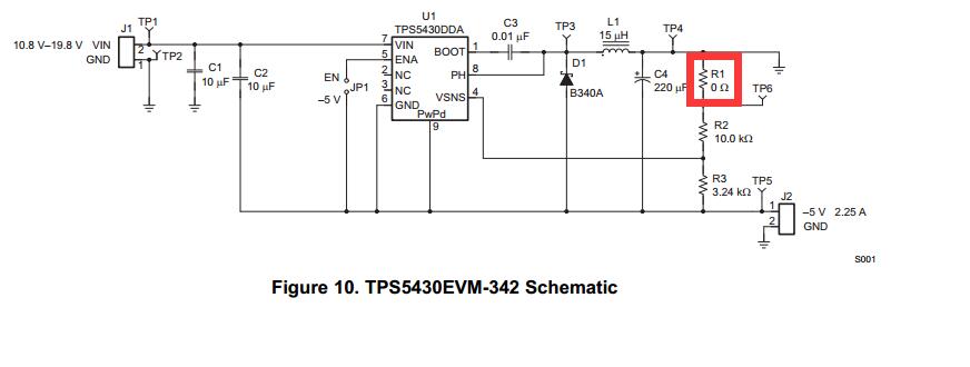
很多电源芯片FB端的两颗电阻上还有颗0欧姆的,想知道这颗0欧姆到底有什么作用???看到布线的时候0欧姆也单独布的
做微调使用。
大概有这两个作用:
1. 可以微调反馈的比例
2. 测试的环路的时候作为一个信号注入点
也就是说这个0欧姆我不用也是可以的咯???
是的;可以不用。如果你觉得方便。
实际电路完全可以不用