This thread has been locked.

If you have a related question, please click the "Ask a related question" button in the top right corner. The newly created question will be automatically linked to this question.

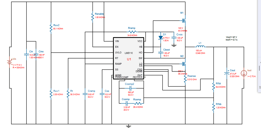
LM5116应用问题

Other Parts Discussed in Thread: LM5116

TI师傅:

         你们好

我原来有咨询过我的一款新产品,DC输入是75-85V 5A,DC输出是67V,2.7A,贵司给我推荐了LM5116这款芯片,我现在用该款芯片按照贵司的设计工具设计了一款原理图,请师傅帮我看看是否可行?如果可行,在设计PCB时要注意哪些事项?