如题所示:
我使用了三片TPS74801芯片,分别输出2.5v,1.8v,1.2v;现在1.8v,1.2v输出电压是正常的,而2.5v输出电压不对,只能输出到2.3v;之后我增加输出2.5v的电阻比发现理论上按照数据手册公式应该已输出到3v,但是实际上其实输出2.4V。之后我将2.5v后级的负载去掉,电压就正常了,但是我经过测量发现有负载时此芯片输出电流是100mA左右,比数据手册中的1.5A少很多,但不知道为什么电压会被拉低,请大神指教。


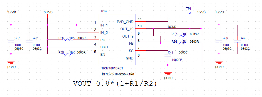
上图1为输入3.7V,输出1.2V
上图2为输入3.7V,输出1.8V
上图3为输入3.3V,输出2.5V
