This thread has been locked.

If you have a related question, please click the "Ask a related question" button in the top right corner. The newly created question will be automatically linked to this question.

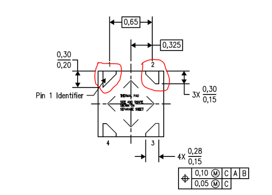
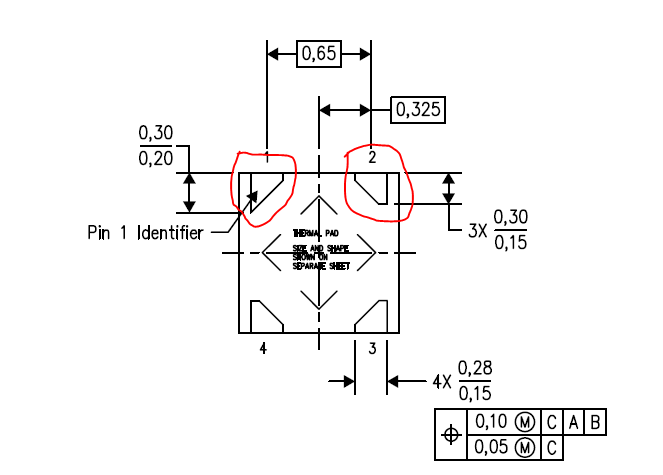
TLV71325一脚



请问TLV71325  DQN封装怎么从芯片上辨别一脚啊?芯片太小了,用万用表测了下中间的焊盘和边上4个焊盘都不导通啊,GND也测不出来。。。