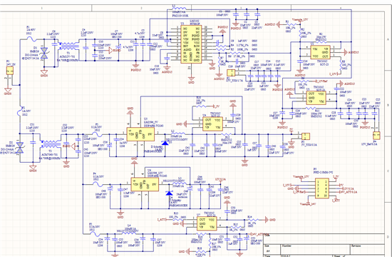
设计了一个开关电源板,24V总输入,由LM310224V转15V输出,LM2596 24V转12V输出,LM2596 24V转5V输出。
PCB如下图所示。
我采用四层PCB设计,第一层主要走功率线,第二层为各模块的屏蔽地,第三、四层走各路模拟地、控制线等其他不能走的线。不知这样布局是否合理。。。
我的问题是:考虑EMC,纹波噪声因素,第二层应该是整体铺一个大地,还是分开按照几个模块,铺几个小的屏蔽地,然后在总输入端单点接地?防止各路之间地上的噪声相互影响。。。或者说怎么接地比较合理。
电路板输入端24V就一个,电源模块都是非隔离模块,因此各路输出端是共地的。
谢谢。

