This thread has been locked.

If you have a related question, please click the "Ask a related question" button in the top right corner. The newly created question will be automatically linked to this question.

5V转3.3V隔离地电源电路确认



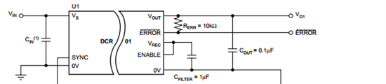
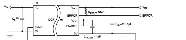
帮忙确认一下以下电路是否有效?我只要隔离一路就好,\ERROR和Vrec不知道可不可以float状态?求指教