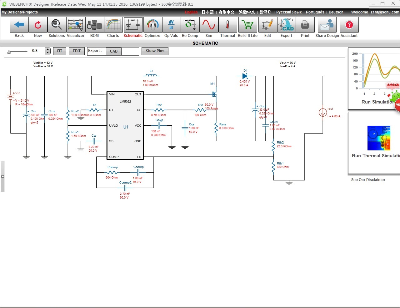
用LM5022芯片做了一个升压电源 输入12-30V 输出36V4A 电路搭接完 遇到以下问题 空载输出36V工作正常 带载2.5A左右 mos(mos用的aot460)很烫 求教怎么把mos温度下来
万用表测量芯片5脚(out)2.1V 示波器看波形像一个漏斗 这个波形对吗 ?
This thread has been locked.
If you have a related question, please click the "Ask a related question" button in the top right corner. The newly created question will be automatically linked to this question.
用LM5022芯片做了一个升压电源 输入12-30V 输出36V4A 电路搭接完 遇到以下问题 空载输出36V工作正常 带载2.5A左右 mos(mos用的aot460)很烫 求教怎么把mos温度下来
万用表测量芯片5脚(out)2.1V 示波器看波形像一个漏斗 这个波形对吗 ?