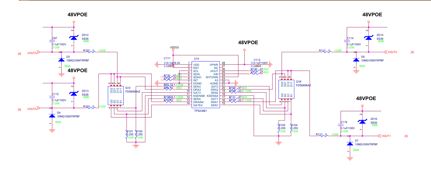
用2颗TPS23861做的8路auto模式的PSE。
接满8路PD,8路POE正常输出;
但是只拔下第五端口(或者第六端口) 网线,第五端口的GATE驱动不关闭,导致仍然有48V输出。
继续拔下第三或者第四端口,gate才关闭。。。
这个可能是什么问题引起的。。 8个POE端口其他功能都正常
This thread has been locked.
If you have a related question, please click the "Ask a related question" button in the top right corner. The newly created question will be automatically linked to this question.
用2颗TPS23861做的8路auto模式的PSE。
接满8路PD,8路POE正常输出;
但是只拔下第五端口(或者第六端口) 网线,第五端口的GATE驱动不关闭,导致仍然有48V输出。
继续拔下第三或者第四端口,gate才关闭。。。
这个可能是什么问题引起的。。 8个POE端口其他功能都正常
Hi ,
正常情况下每个端口所谓的地都是不共的,相对交换机都是悬浮的,你的问题就是因为把所有的负载的地都接到一起,那么当一个端口去掉之后,,其它端口还在工作,加在48和负载地之间的电压还在,所以会有你的问题出现,正常情况接各自的负载时没问题的.