This thread has been locked.

If you have a related question, please click the "Ask a related question" button in the top right corner. The newly created question will be automatically linked to this question.

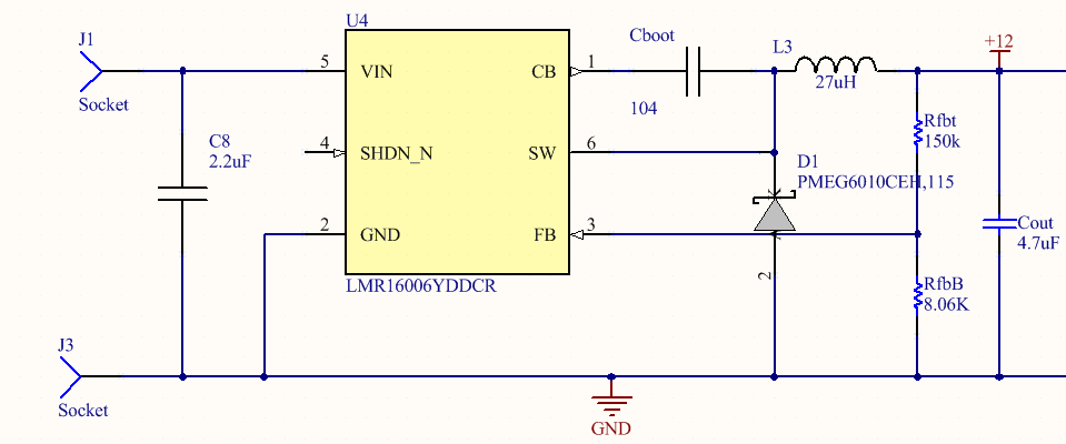
用WEBENCH仿真出来的LMR16006Y的12v输出电源,但是实际搭出来后输出18V不知道为什么



用WEBENCH仿真出来的LMR16006Y的12v输出电源,但是实际搭出来后输出18V不知道为什么电路图如下

  • 确认仿真出来的参考线路如此?所设定的需求参数是正确的?

    按你这份图FB脚的分压电阻计算出来的输出电压本就设置在了15V多,你再核对下?!

    另外对于12V输出,规格书中有现成的设计参数推荐可供参考: