This thread has been locked.

If you have a related question, please click the "Ask a related question" button in the top right corner. The newly created question will be automatically linked to this question.

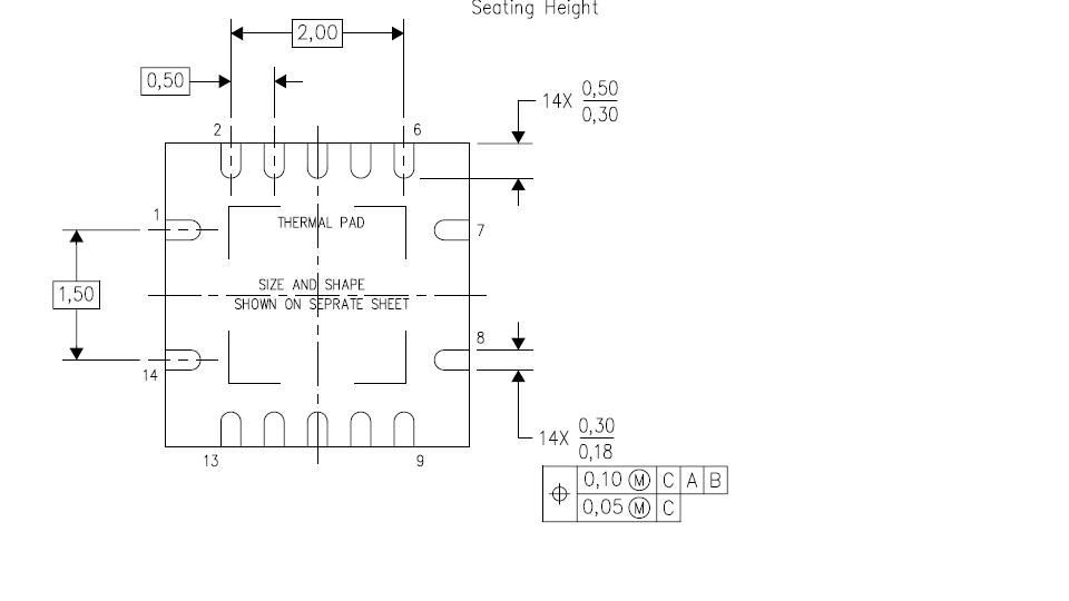
TPS54620封装的问题



想画个它的封装, 可查了S-PVQFN-N14的图纸, 有个问题: 中间的那个露铜区域到底多大? 封装图上说建议看具体的规格书, 而54620的规格书却没写~

另外, 怎么上面是个bottom view图?容易误导啊。