This thread has been locked.

If you have a related question, please click the "Ask a related question" button in the top right corner. The newly created question will be automatically linked to this question.

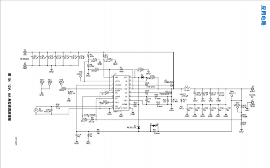
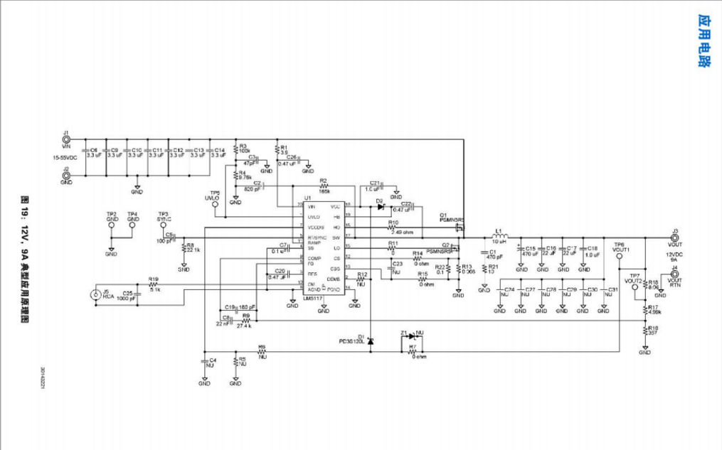
lm5117手册上电路原件只是多少?

Other Parts Discussed in Thread: LM5117