设计输入 24V 输出 12V (10A PEAK, 5A CON)
如题,所有引脚没有波形,芯片在另一模块上测试过,没有问题,焊接没有问题(尝试过三片板子,问题一样)。
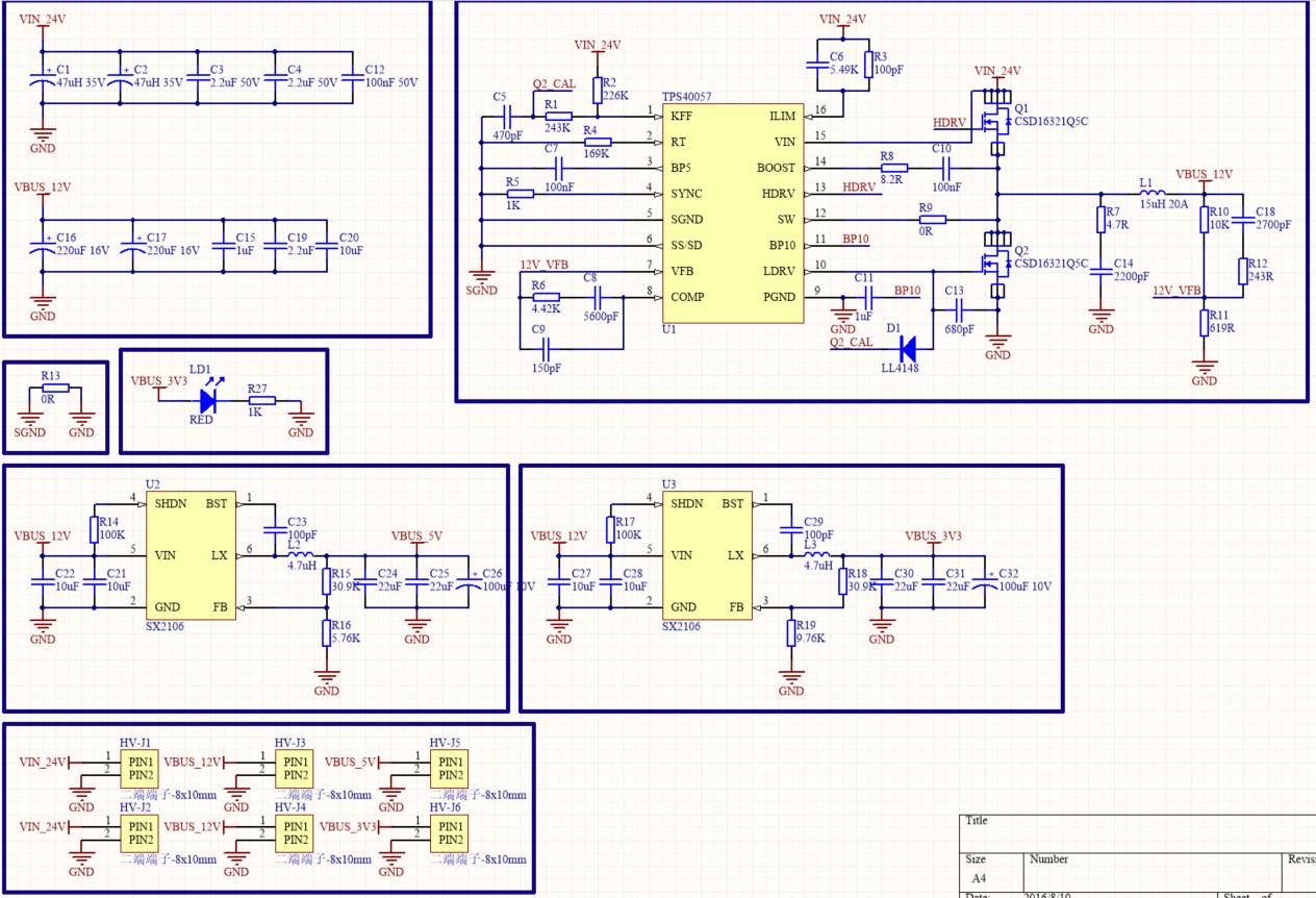
电源部分原理图:(SS/SD已在板子上修复)
PCB图:(工艺: 双层 1.6mm 1Oz铜)
This thread has been locked.
If you have a related question, please click the "Ask a related question" button in the top right corner. The newly created question will be automatically linked to this question.
设计输入 24V 输出 12V (10A PEAK, 5A CON)
如题,所有引脚没有波形,芯片在另一模块上测试过,没有问题,焊接没有问题(尝试过三片板子,问题一样)。
电源部分原理图:(SS/SD已在板子上修复)
PCB图:(工艺: 双层 1.6mm 1Oz铜)