Other Parts Discussed in Thread: TPS40210, CSD17505Q5A
按照PDF设计的TPS40210升压电路,带载后频率急剧下降,ss脚不接电容到地芯片反而工作,很奇怪
This thread has been locked.
If you have a related question, please click the "Ask a related question" button in the top right corner. The newly created question will be automatically linked to this question.
Other Parts Discussed in Thread: TPS40210, CSD17505Q5A
按照PDF设计的TPS40210升压电路,带载后频率急剧下降,ss脚不接电容到地芯片反而工作,很奇怪
测试一下是否是OCP电路动作了? 测试ISNS电压是否超出保护点150mV?
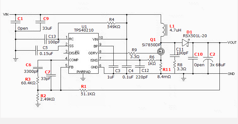
能否提供您的参考电路图,输入电压,输出电压,满载电流等相关参数。
或者您可以下载TI 的Swicherpro软件或者在线WEBENCH进行仿真,以确认参数:www.ti.com.cn/.../homepage.tsp
2脚波形是一个类似三角波,最小值160mV电压刚充上去就掉下来了,PWM时有时无
Isns的电压确实类似一个三角波,斜向上,超过150mV, 就会造成过电流保护,ss脚电压就会下降。(用示波器测试Isns的波形即可, 应该是最大160mV)
请问您测试时输入电压,以及输出电压电流分别是多少?
SS脚的软启动电容是不是要挨得很近,我做的转接板转接的,离得较远,不知道是不是这个原因
从您的参数以及电路图看,不至于OCP保护,SS脚的电容只是控制软启动时间,即便不要也可以(推荐是需要的).
从您的参数看,输入电压时4.5V,容易造成芯片欠压保护,芯片Vdd电压低于4.5V,芯片就会进入欠压保护,您可以讲输入电压提高到6V,看看输出是否正常(包括频率), layout上要求输入电容尽量靠近芯片Vdd脚,如果提升电压可以正常,您可以在Vdd脚焊接一10uf陶瓷电容,再慢慢降低电压看看效果?(或者测试VDD电压波形,与SS脚波形,以及驱动波形对比,当VDD欠压保护时, SS脚电压开始下降,VDD电压上升后,SS脚电压也上升)
SS脚不接电容,不应该正常,会造成的现象应该是反复循环的启动关断。如果您怀疑是SS电容距离太远,可以再SS脚上焊接一个电容,但是从现象看,不一定会好), SS脚有电容,会造成芯片慢慢启动,输入电流相对要小一些,如果VDD电容layout不好,造成的现象只是Vdd电压下拉少一点,如果芯片的欠压保护点低一点,确实可能效果好一些。 没有SS电容时,VDD电压下降的多一些,容易造成欠压保护。(欠压保护电压时4~4.5V).
我把芯片VDD单独5V供电,输入4.4V,芯片开始正常工作了,但是带载时还是频率由239KHZ降到34KHZ。。输出直接被拉低到4.4V
非常感谢TI工程师的解答,消除了我很多疑惑,以上问题已经解决,是因为我的Rsns焊接不好,现在面临的问题是12V输出带到20欧姆的载,占空比就满了,96%,导致输出电压被拉下,现在Rsns使用的是10m欧康铜丝电阻
Boost架构的占空比大约是(Vo-Vin+Vd)/(Vo+Vd)=(12-4.5+0.5)/12.5=64%, 算上效率损失,占空比也不足70%.
按照您的设计,FB分压得到700mV, 请确认您的电路。
TPS40210是电流模式控制, 确认一下Isns脚上的RC滤波器,C是220pf尽量靠近芯片脚,R是1k欧姆.
请问此时VIN电压有下降吗?看现象像是功率级上损耗比较大。根据您的参数计算满载时电感电流峰值接近7A,所以二极管明显选小了,MOS管也比较接近其额定电流值了。
看看您电路的整体效率是多少? 正常而言应该在90%左右,按照您提供的数据,效率还不足70%.
300kHz的开关频率并不算高,附件是按照您的参数仿真出来的电路图,您可以参考(包括参数,另外就是开关电源很注重layout,关于layout您可以参考EVM板.)
注意输出电容ESR,以及反馈补偿。(参考之前提供的电路即可)