This thread has been locked.

If you have a related question, please click the "Ask a related question" button in the top right corner. The newly created question will be automatically linked to this question.

LMZ23610 关于EN使能引脚使用?

Other Parts Discussed in Thread: LMZ23610

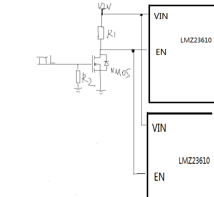
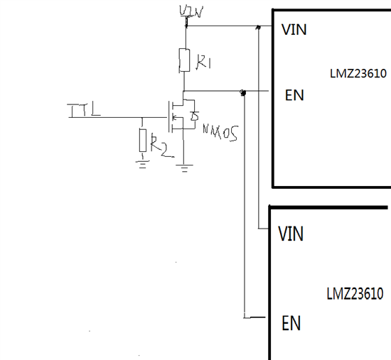
现设计9~24V输入,5V@13A输出。采用两片LMZ23610并联使用,若要关断电源输出,是否需要将两片LMZ23610使能脚EN同时下拉到GND?

使能EN,能否通过使用MOS管,用TTL或COMS逻辑电平来控制(如图)?