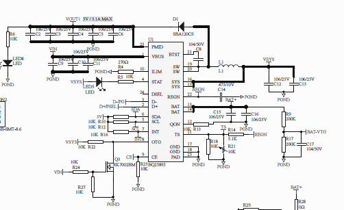
不知道为什么不能升压,配置如下:
上电后I2C通信首先关闭WatchDog(REG07,其余位使用默认配置),
之后I2C通信禁止充电,使能升压(REG03,其余位使用默认配置),
但实际无升压输出,
I2C读取REG0E中BATV为Default,读取REG0F中SYSV为Default
This thread has been locked.
If you have a related question, please click the "Ask a related question" button in the top right corner. The newly created question will be automatically linked to this question.
不知道为什么不能升压,配置如下:
上电后I2C通信首先关闭WatchDog(REG07,其余位使用默认配置),
之后I2C通信禁止充电,使能升压(REG03,其余位使用默认配置),
但实际无升压输出,
I2C读取REG0E中BATV为Default,读取REG0F中SYSV为Default
能充电吗?如果可以充电,那么升压就很简单了,只需要关注OTG引脚和OTG寄存器,同时使能即可,注意升压的时候,输入电压需要移除。
谢谢,Jason!
目前看充电时正常的,我们在看检查下寄存器配置!
另外请教一个问题:
我们使用BQ2970进行 电池保护,但是每次调试前,接电池都不能直接启动,需要适配器接入激活下才能让电池正常工作,这个属于正常现象吗?如果频繁切断适配器和电池,发现其启动时间一直在加长!