应用产品:DCDC变换器
设计参数:
输入电压范围:200~430V
输出电压范围:9~16V
持续最大电流:160A
变压器匝数比: 11: 1:1
开关频率:100kHz
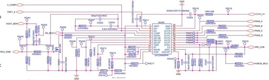
主电路拓扑结构图:
问题描述:
DCDC输出电压纹波过大(Vpp=1V),为排除闭环控制的影响因素,设置DCDC工作在开环模式,具体操作为利用外围电路将UCC28950 COMP引脚电压钳位在2V左右。DCDC依然出现前述问题,进一步查看COMP引脚电平和变压器原边电压波形如下图所示:
黄色:输出电压Vout 绿色:COMP 蓝色:变压器原边电压
图中输出电压波形明显看到有4kHz和500Hz两个频率的抖动,4kHz抖动与COMP电压的抖动匹配,在此先不考虑,重点关注500Hz的抖动。
图中COMP脚并没有500Hz的波动,但是展开波形看到变压器原边电压脉宽存在500Hz的波动,最大为2.52us,最小为2.38us,并且与输出电压波形波动时序一致。
在此,初步判断由于UCC28950本身的某种原因,导致占空比产生抖动引起。
上图中可以看到变压器原边电压脉宽在抖动,即DCDC控制占空比在抖动。
震荡点工况:
输入电压:Vin=300V
输出电压:Vout=10.9V
输出电流:Iout=120A
UCC28950外围原理图如下:





