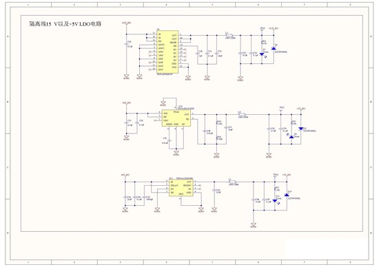
最近因为实验需要,采用TI的《用于可编程逻辑控制器 (PLC) 的 16 位模拟混合输入和输出模块参考设计》设计方案设计了一块数据采集板,电源设计一样,变压器一次侧采用LM5017,变压器二次侧输出为±18v和6v,经过TPS7A4007和TPS7A3001以及TPS7A1650转换为±15V和5V电源。但在测试过程中发现一个很奇怪的问题。
如果测试中我焊接上D2稳压二极管DFLS1200-7后,一次侧9.6v输出端输出电压只有1.8V左右,二次侧±18V输出端只有2.1v,6V输出端输出0.7V左右。去掉D2稳压管后,一次侧输出正常,二次侧-18V和6V输出正常,但是芯片U10发热相当严重,且无输出电压

