This thread has been locked.

If you have a related question, please click the "Ask a related question" button in the top right corner. The newly created question will be automatically linked to this question.

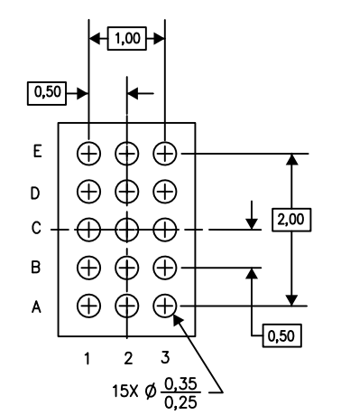
BQ27546芯片的封装问题



BQ27546芯片是15引脚的BGA封装,该封装引脚与引脚之间的间距小于10mil,无法在Altium Designer进行电气走线,请问中间的引脚如何走线呢?能否引脚的焊盘设置为通孔,在Bottom Layer层引出?