This thread has been locked.

If you have a related question, please click the "Ask a related question" button in the top right corner. The newly created question will be automatically linked to this question.

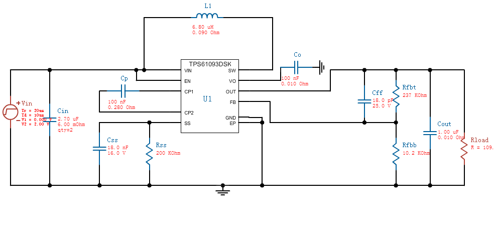
TI,2V升压到12V的电源IC有吗

Other Parts Discussed in Thread: TPS61093, TPS61046

TI,2V升压到12V的电源IC有吗