This thread has been locked.

If you have a related question, please click the "Ask a related question" button in the top right corner. The newly created question will be automatically linked to this question.

使用LM5175输出12V,遇到的问题

Other Parts Discussed in Thread: LM5175EVM

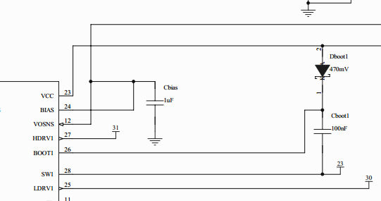
1、  元件  使用LM5175PWPR ,要求输入8~22V,输出12V10A

 

2、  电路  原理图使用webench designer生成,PCB是自己绘制两层PCB 

   

    

3、  现象:1)有一块板能输出12V 但是电流很小,不到1A,供电给任何设备无法工作

      2)有一块板输出12V,设备工作了一小时,但是之后就降为4V,再无法恢复

 

4、问题: 1)元件焊接时有温度要求吗?会不会是焊接时温度太高造成元件损坏

        2)使用webench designer两次生成的原理图不同,p24 BIAS在最初的电路图上是连接在Vout端,但是后来的生成的原理图上是连接在一个9V电源上?

       

             

 

               

        3)求高人帮忙分析下现象1和2都是什么原因导致的?多谢!

lm5175 sch.pdf