大家好,我们现在用了TI的TPS5116芯片搭建了一个1.8V输出和DDR2兼容的电路,如图所示,但是现在当温度在-40度时,该模块有时不能正常输出,重启之后又能正常输出了,输出时有时无,没有输出的概率较小;不能输出时,DRVL为常高电平,DRVH为常低电平,看数据手册考虑为过压的问题,但是测了之后发现好像与过压没有太多直接的关系,有谁能解答下么??常温下和高温下也能复现,但是相对来说概率比较小,低温下复现概率较高。
This thread has been locked.
If you have a related question, please click the "Ask a related question" button in the top right corner. The newly created question will be automatically linked to this question.
您好,
请问是否有测试过该电路的环路稳定性,如果相位余量不足也有可能容易受到温度的影响。另外,该芯片为controller类型,在布线的时候要格外注意,不然容易引入噪声影响正常工作。
谢谢
Regards,
Patrick
看一下你选的电容的低温特性
电容在低温下,容值下降的非常厉害。有可能照成环路的不稳定
刚解决过一个这样的问题
您好,输出电容所使用的位型号为TCJY107M016#0050的AVX的100uF的钽电容,其工作最低温度为-55度,在低温时,容值相对于常温时的容值下降仅为5%,应该不是这个问题吧
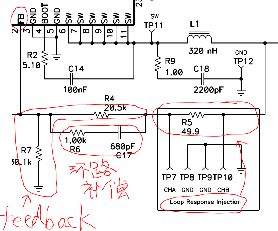
电阻阻值应该怎么选择呢?反馈线路上指的是R7设为50欧姆的电阻吗?环路补偿是什么意思啊?是说如果若系统环路不稳定,所进行的使其稳定的补偿吗?还是指的是测试的时候所使用的方法?
你好,R4和R7为反馈分压电阻,用于设定输出电压
R5为采样电阻,一般选为50ohm,用于环路稳定性测试
R6和C17为补偿元件,附近有相关资料
谢谢
你好,R4和R7为反馈分压电阻,一般为K ohm级别,用于设定输出电压
R5为采样电阻,一般选为50ohm,用于环路稳定性测试
R6和C17为补偿元件,附近有相关资料
谢谢