关于同步降压转换器,我一直有一个疑问。当我不接输入的时候,输出端接个电源,会损毁电源IC吗?
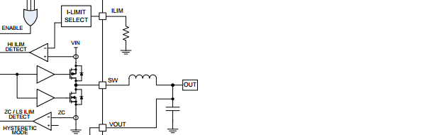
比如LM5166这款同步稳压器,我完全按照手册上的设计,输入12V,输出3.3V这样的设计。如图:
然后我输入不接电源,输出端接3.3v,是否会损毁这个电源IC?因为手册上有最大电压限制是VIN+0.3V,我不接VIN的时候是不是最大电压限制就是0.3V???:
This thread has been locked.
If you have a related question, please click the "Ask a related question" button in the top right corner. The newly created question will be automatically linked to this question.
关于同步降压转换器,我一直有一个疑问。当我不接输入的时候,输出端接个电源,会损毁电源IC吗?
比如LM5166这款同步稳压器,我完全按照手册上的设计,输入12V,输出3.3V这样的设计。如图:
然后我输入不接电源,输出端接3.3v,是否会损毁这个电源IC?因为手册上有最大电压限制是VIN+0.3V,我不接VIN的时候是不是最大电压限制就是0.3V???:
多谢回复。
1:我VIN悬空,VOUT接电压,这个电压有限制吗?这个电压若高到一定程度是否会击穿下管导致烧毁IC?当然,这个电压在与VOUT相连的PIN脚允许电压范围之内。
2:是否对于所有的同步降压转换器,按规范设计的电路,VIN悬空,VOUT接所设计的电压,是否都不会因为电压倒灌导致IC异常?
Hi
上面已经回复。
但是注意电压如果高出芯片对应角的范围是会导致芯片烧掉的。 MOS(SW脚)风险或许很小,但是还有FB脚,如果在没有供电的情况下,这个脚受电压损坏的风险就会非常高。
一般不建议这样用,如果存在这种情况,或你需要在输出接一个二极管,避免电压反向流入。