This thread has been locked.

If you have a related question, please click the "Ask a related question" button in the top right corner. The newly created question will be automatically linked to this question.

AM4379供电芯片TPS65218的电池供电问题

Other Parts Discussed in Thread: TPS65218

Hi,

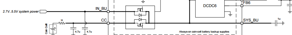
根据PMIC芯片TPS65218原理框图,IN_BU和CC管脚任意一端供电的话,SYS_BU都会有输出的,现在遇到的情况是IN_BU正常输入时SYS_BU有输出 ,而CC单独供电时SYS_BU没有输出。