尊敬的ti工程师,您好。
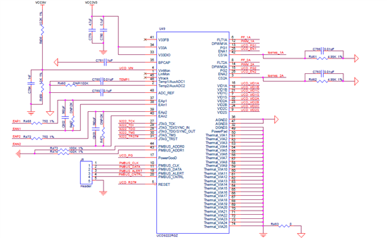
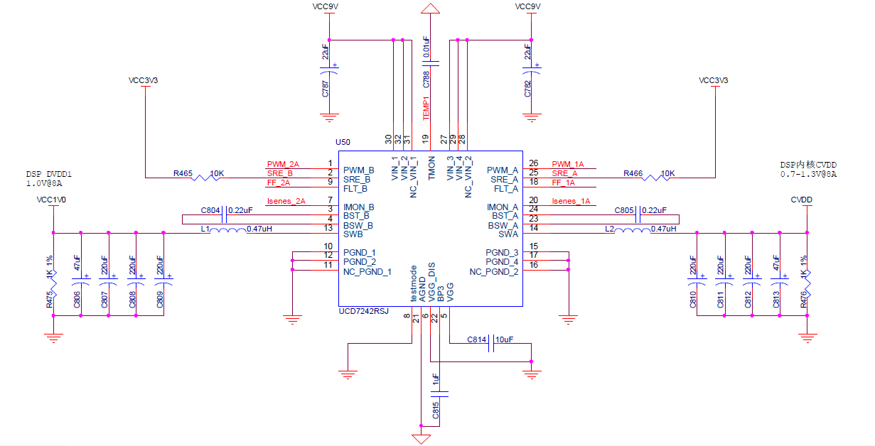
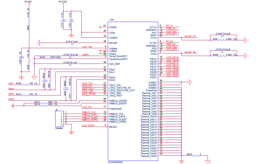
我在调试ucd9222和ucd7242电源组合时,选择control pin控制 Vout on/off ,但是在软件控制仿真器拉高control pin的时候,gui显示仿真器断开,然后gui控制设备重启,然后再提示仿真器断开,再重启,不断重复的情况。然后,我尝试改成always convert,进入监控界面后,曲线停止绘制,点击start polling,又出现刚刚不断重启的情况。再此期间,我用示波器量过reset脚和control pin的实际电压,都是3.3v左右,绝对是高电平。电路设计参考的是6678evm开发板ucd9222和ucd7242电源组合的设计,请专家帮忙看下是什么原因?附图:重启提示画面及设计原理图。


