This thread has been locked.

If you have a related question, please click the "Ask a related question" button in the top right corner. The newly created question will be automatically linked to this question.

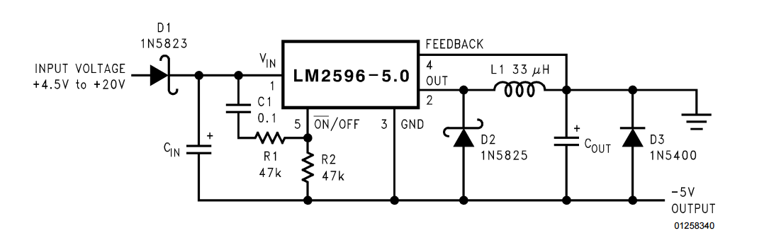
LM2596做得负电源一上电就出现短路

Other Parts Discussed in Thread: LM2596, TPS5430

先前用LM2596做正电源,可以正常,工作电流也才只有20MA。可做得这个负电源输入刚过2V左右时,电流就迅速上升到接近1A,发生短路现象!!!

拆掉电感后,短路现象就没有了。

请教怎么才能解决这个短路问题,让2596正常输出负电压,且可通过变阻器R2,来调节其输出范围

以下是原理图(IN表示的是LM2596的输入电压)