This thread has been locked.
If you have a related question, please click the "Ask a related question" button in the top right corner. The newly created question will be automatically linked to this question.
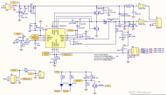
电路图如下,还有EVM板的D2二极管板子的丝印方向,与原理图 的D2的指向不同
电路的MPPT点设计在18V,用18V的电源供电是不会有充电电流的。需要提高输入电压或者降低MPPT点。
问题已经解决,确实和MPPT点设定有关,还和温度监测有关