This thread has been locked.

If you have a related question, please click the "Ask a related question" button in the top right corner. The newly created question will be automatically linked to this question.

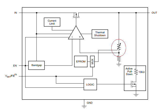
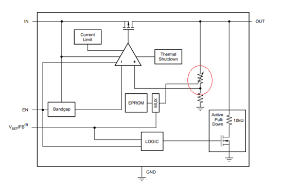
TPS78101中Vset可以有两种调节方式是因为里面的可变电阻吗?这个型号最大的亮点是什么?



TPS78101中Vset可以有两种调节方式是因为里面的可变电阻吗?这个型号最大的亮点是什么?