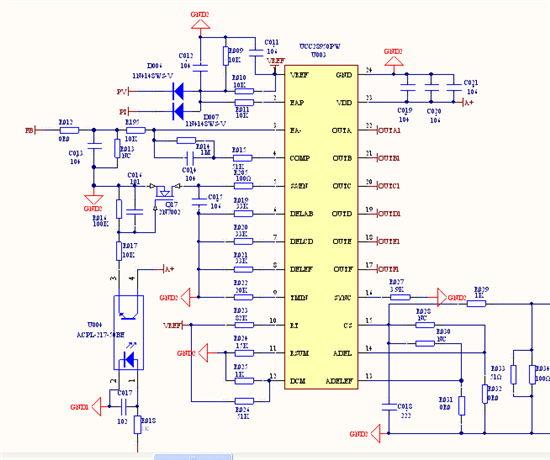
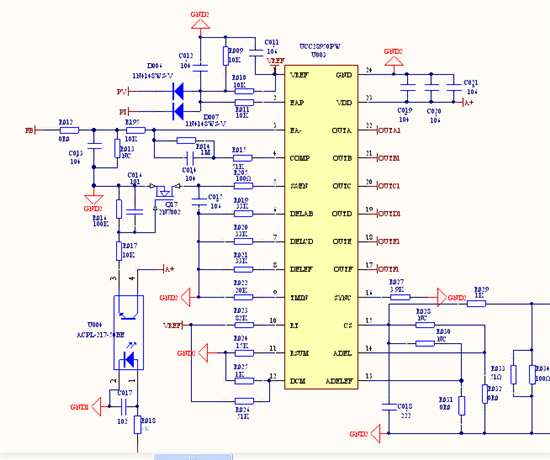
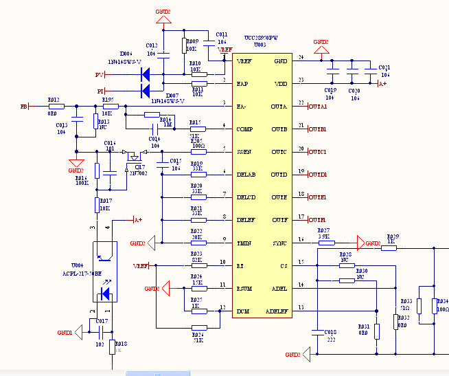
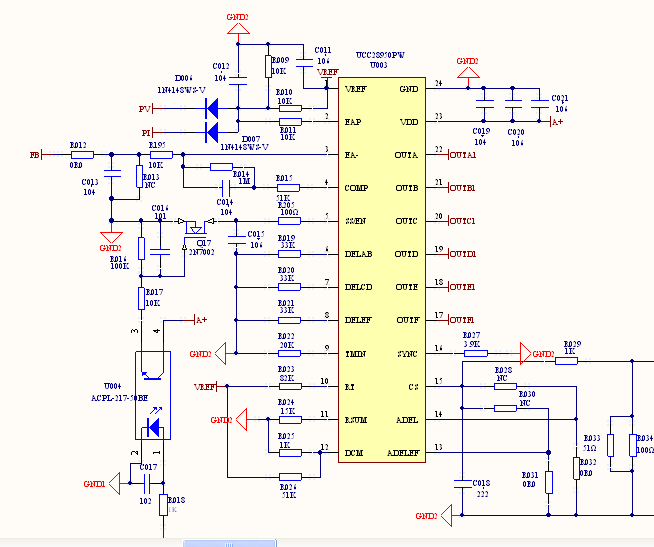
我在调试UCC28950的时候,遇到一个现象,产品在带载到1400W的时候,一切正常,到负载增加到1450以上的时候,芯片1引脚的电压(5V)基准,开始缓慢升压。因为误差运放的基准电压是由5V分压到2.5V,5V升压后导致了产品的电压也升高,(至少能升高到6.4V以上,但是电压升高时的驱动还是稳定的)。然后我将误差放大器的基准电压由外部单独输入,这样可以保证输出电压不变化,但是当基准电压升高到6.4V以上时,驱动开始不稳定了,我想询问下,芯片的基准电压为什么会变化,而且会印象到产品的驱动输出
蓝色为1引脚的电压,当出现问题时已经升到6.4V了


