This thread has been locked.
If you have a related question, please click the "Ask a related question" button in the top right corner. The newly created question will be automatically linked to this question.
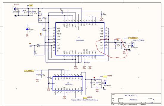
如图红圈中所示,是不是少一GND端?
Hi
TP2就是GND .
应该是忘了一个网络标号。
如上图中红线所示的所有PGND连接在一起悬浮在,应该连接到那?
红圈处VOUT接地?有没有个正确的PMP8372原理图?