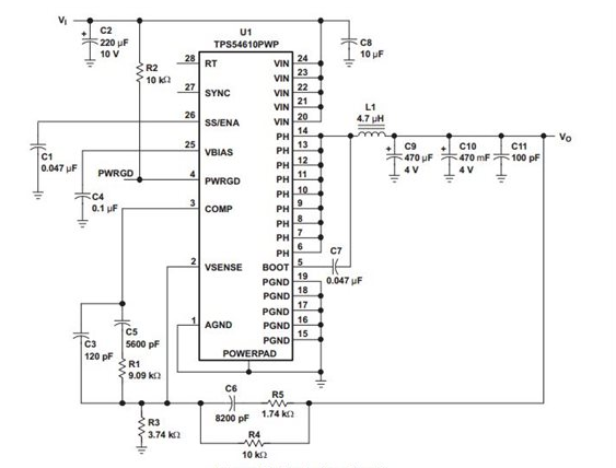
电路是采用,图10的应用电路,R3,R4自己配置的刚好1.25V的电阻,现在的问题是:低温上电后,DSP工作不正常,不能实现功能;低温下打算在L1两端接出来两个长导线准备测试下电压是否正常,结果是:接出来两根导线后就正常了,然后去掉导线就不正常了。请大神指导下,两根长导线导致什么参数变化了。
This thread has been locked.
If you have a related question, please click the "Ask a related question" button in the top right corner. The newly created question will be automatically linked to this question.
Hi
首先需要说明的是不同的输出电压,电路参数是不同的,电感大小,输出电容,补偿都是需要重新计算的。
请问你的低温具体是在多少摄氏度?能够将2种情况下输出电压的波形传上上来看一下?
请上传一下-40度条件下的PH节点和输出波形。
在低温条件下,电容的容量会发生变化,如果要在低温下工作要确保使用的电容的温度范围合适,否则电路在低温下参数会发生变化,从而导致电路工作不正常