This thread has been locked.

If you have a related question, please click the "Ask a related question" button in the top right corner. The newly created question will be automatically linked to this question.

bq25504仿真为何输出电压不对?

Other Parts Discussed in Thread: BQ25504

求问各路懂得大神 为何从官网下载的文件仿真运行后VBAT电压这么小?和附带资料的输出参数值不同

  • 你好,请按照仿真中的步骤来设置并仿真

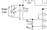
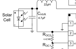
  • 恩恩 仿真出来了 和资料给的一样。不过我还有些地方不太明白,像下面图中的太阳能电池之后,两个4.7的电容分别有什么作用呢?能不能只用一个?在bq25504的资料里的原理图里我看只有一个4.7的电容。另外,如果我不用OK的功能 是不是只要充电电池的电压大于它的欠压设定值,芯片内部电路就会导通,使得VSTOR=VBAT,可以一直给负载提供能量,直到欠压时内部电路才断开,充电恢复后,电池电压升到欠压值上后内部开关重新打开?我后面接led灯做小草坪灯,所以不需要设置输出电压,尽可能的使用电时间长些。