This thread has been locked.

If you have a related question, please click the "Ask a related question" button in the top right corner. The newly created question will be automatically linked to this question.

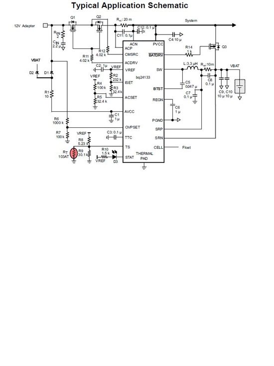
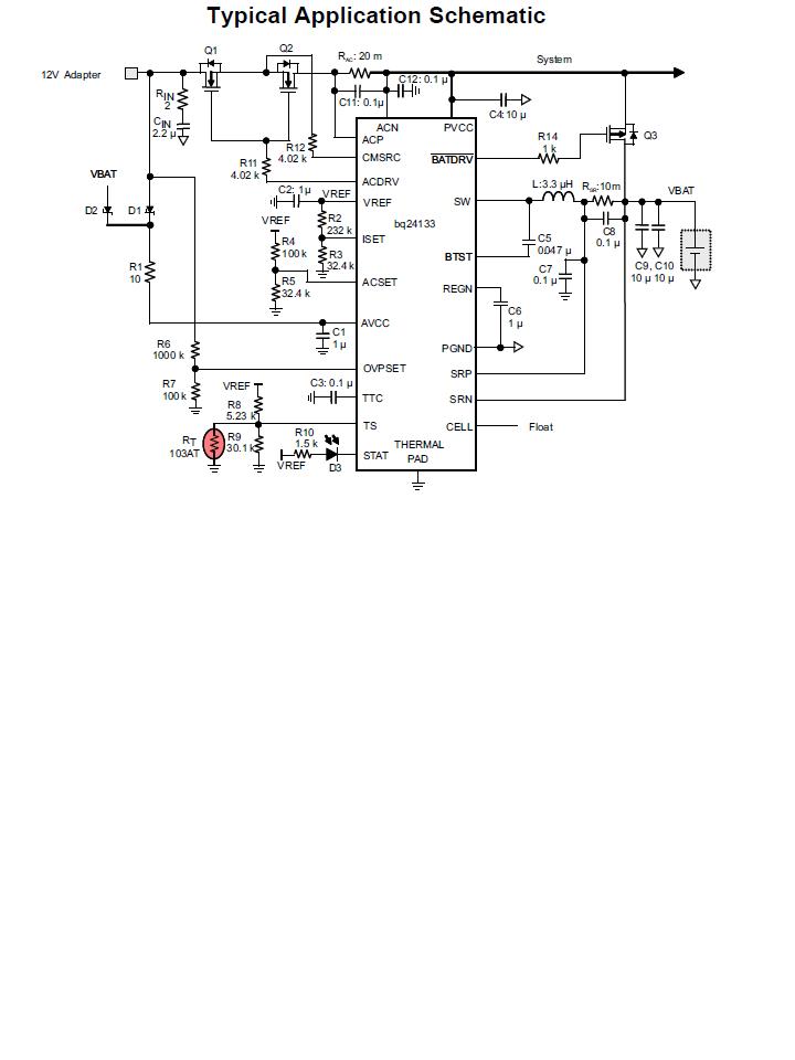
关于BQ24133的状态指示灯



我们在使用这个芯片,电路是照抄器件手册第一页的原理图。但是在不接电池的情况下,并没有出现闪灯、而是常亮。

请问问题出在哪里?

谢谢