This thread has been locked.

If you have a related question, please click the "Ask a related question" button in the top right corner. The newly created question will be automatically linked to this question.

TPS65217C的DCDC3输出不正常

Other Parts Discussed in Thread: AM3358

        您好!我设计了一个产品使用的是AM3358芯片,电源管理器使用的是TPS65217C

        其中DCDC3的输出在上电系统尚未开始工作时为1.1V,系统开始工作以后DCDC3输出变为0.95V,系统工作不正常。刚开始怀疑可能是供流能力不足,将DCDC3输出断开,给3358的VDD_CORE外接了一个1.1V电源,系统工作正常,此时测试DCDC3的输出,仍然是0.95V,请高手帮忙分析一下原因,非常感谢。

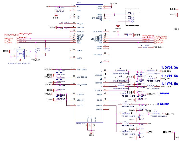
        原理图如附件所示,其中DCDC3的输出除了给3358的VDD_CORE供电外,没有接其他任何点。

  • hi, 

    1.请测试VDCDC3 引脚到芯片GND电压,检查它是否为0.95V?

    2.VDCDC3外接一个电子负载或电阻,测试其输出电流能力,检查输出电压是在多大电流输出时由1.1V变为0.95V?

    3.检查DEFDCDC3寄存器中设定的bit0--bit5所定义的输出电压值为多少, 是否有改动?