This thread has been locked.

If you have a related question, please click the "Ask a related question" button in the top right corner. The newly created question will be automatically linked to this question.

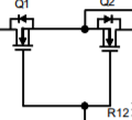
为什么不能用5V单片机IO口直接通过一个三极管来控制12V电源的开断?而是需要一个NPN+PNP才可以啊



为什么不能用5V单片机IO口直接通过一个三极管来控制12V电源的开断?而是需要一个NPN+PNP才可以啊