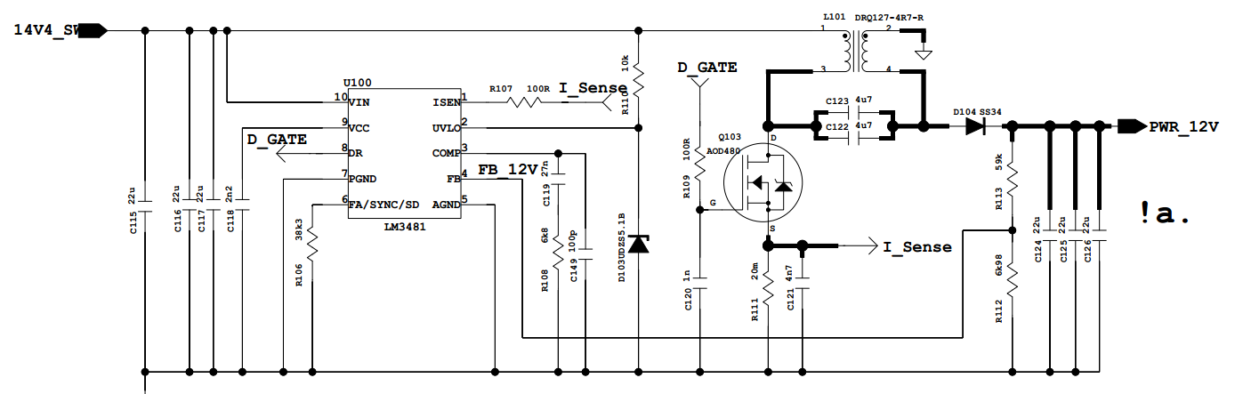
我参考AN-2094 LM3481 SEPIC Evaluation Board上面的原理图做了一个自己的LM3481的SEPIC电路,回来调试发现输出电压比较稳定,但是MOS和电感发热较严重,原理图如上图所示!
电感用的是国产定做的,Coiltronics的电感没有买到,同名端暂时不知道有没有反,如果反了会有什么结果?
DR引脚输出最高电平5V,频率500K,类似于三角波的波形,在回到低电平的时候是有震荡的。
请大牛帮忙解决下问题在哪?
谢谢
This thread has been locked.
If you have a related question, please click the "Ask a related question" button in the top right corner. The newly created question will be automatically linked to this question.
我参考AN-2094 LM3481 SEPIC Evaluation Board上面的原理图做了一个自己的LM3481的SEPIC电路,回来调试发现输出电压比较稳定,但是MOS和电感发热较严重,原理图如上图所示!
电感用的是国产定做的,Coiltronics的电感没有买到,同名端暂时不知道有没有反,如果反了会有什么结果?
DR引脚输出最高电平5V,频率500K,类似于三角波的波形,在回到低电平的时候是有震荡的。
请大牛帮忙解决下问题在哪?
谢谢
Hi
首先确认一下你的驱动,应该是方波而不是三角波。驱动异常容易造成MOS发热。
建议你将驱动上的电阻R109/C120拿掉,前者影响驱动电流(驱动信号上升下降时间),后者电容完全没有必要。
芯片Vin上需要稳压电容尽量靠近,MOS选择Qg尽量小的。
在上述修改确认没有问题后(方波正常),电感仍发烫,有可能是电流不够,将以将电流做大一点。layout上将以输入电容到电感距离尽量近点,走线宽一点。
非常感谢!问题就出在R109/C120,拿掉就可以了!
谢谢!
还有两个问题,请不吝赐教!
1、电感的同名端是否有影响?
2、如果用分立电感,对电路是否有影响?有的话主要影响哪方面?
谢谢!