This thread has been locked.

If you have a related question, please click the "Ask a related question" button in the top right corner. The newly created question will be automatically linked to this question.

LM3481短路保护问题

Other Parts Discussed in Thread: LM3481

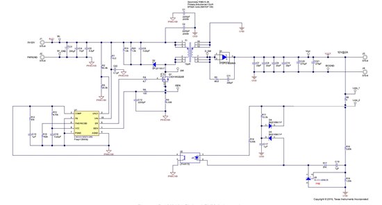
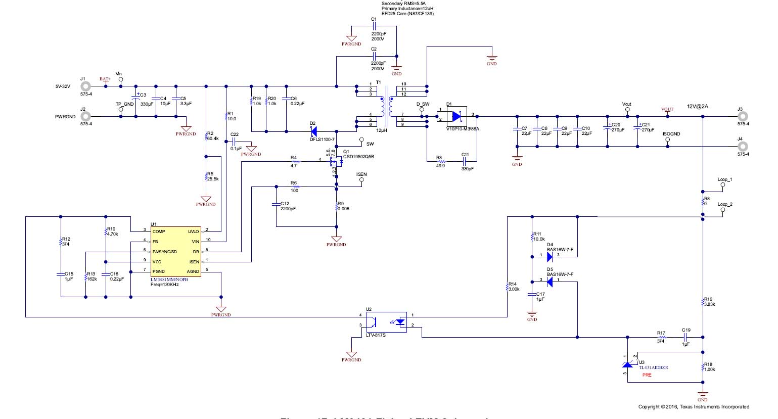
TI的工程师, 最近在做一款电源,主芯片用的是LM3481,在输出短路的情况下,见以下图片,供电电源还有2A左右的输出。此时变压器次级二极管发热严重,时间长了板子最终会损坏。这种问题如何解决。难道要换方案吗。