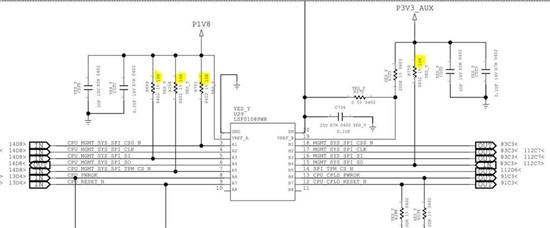
原理设计如下:

规格书中建议:

请问使用10K电阻是否合适,有没有风险?谢谢
This thread has been locked.
If you have a related question, please click the "Ask a related question" button in the top right corner. The newly created question will be automatically linked to this question.
Hi
这个你需要确认接口两边对应接口电流承载能力。例如上面提到15mA/10mA/3mA.