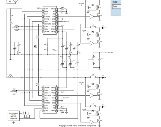
UCC28070规格书提供两片UCC28070进行并联使用的基本电路图。图中通过一个交错180°的同步信号,让两个UCC28070进行交错输出,那么问题来了!同步信号是交错180°的,UCC28070的输出也是交错180°的,那么四项中就会存在两项同时导通,两项同时关断的状态,根本达不到四相交错的目的,请问,手册18页描述的四相交错是怎样的?难道不是每项90°相角么?
This thread has been locked.
If you have a related question, please click the "Ask a related question" button in the top right corner. The newly created question will be automatically linked to this question.
UCC28070规格书提供两片UCC28070进行并联使用的基本电路图。图中通过一个交错180°的同步信号,让两个UCC28070进行交错输出,那么问题来了!同步信号是交错180°的,UCC28070的输出也是交错180°的,那么四项中就会存在两项同时导通,两项同时关断的状态,根本达不到四相交错的目的,请问,手册18页描述的四相交错是怎样的?难道不是每项90°相角么?