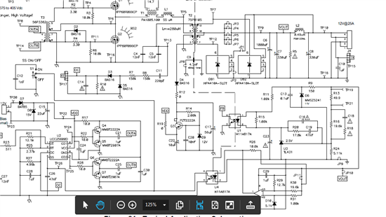
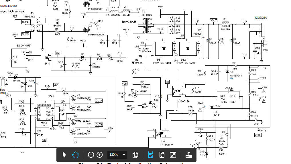
各位大神:
本人调试UCC25600,输入380VDC,输出+-78V/3A,输出100mA-3A, 输出电压波形正常,如果在轻载时候,输出电压不稳定!这个主要是哪方面的问题?
This thread has been locked.
If you have a related question, please click the "Ask a related question" button in the top right corner. The newly created question will be automatically linked to this question.
各位大神:
本人调试UCC25600,输入380VDC,输出+-78V/3A,输出100mA-3A, 输出电压波形正常,如果在轻载时候,输出电压不稳定!这个主要是哪方面的问题?