This thread has been locked.

If you have a related question, please click the "Ask a related question" button in the top right corner. The newly created question will be automatically linked to this question.

TPS54140 Vout drop及ripple问题

Other Parts Discussed in Thread: TPS54140, TPS560430

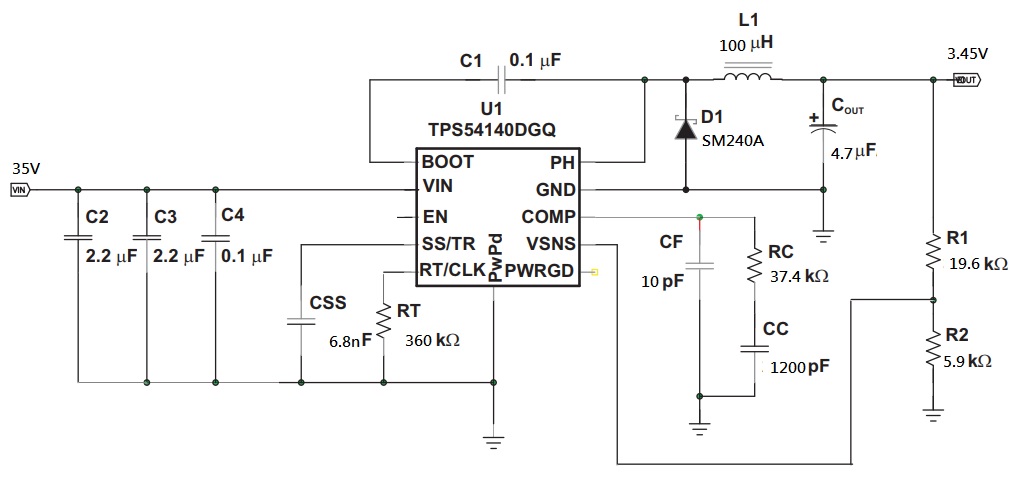
目前使用TPS54140,以下是操作条件:
Vin: 35V
Iout: 10mA
Vout: 3.45V
有以下问题想请教一下
1. 每隔数秒Iout会到200mA,但此时的Vout电压会掉,这是否跟comp pin的设定有关系?

2. 想请问comp pin上的Rc, Cc, Cf该如何设计?

3. 大部分时间Iout操作在10mA,此时ripple大概是150mV,是否还能降低至100mV内?