最近在做电子设计竞赛,其中用到了TPS55340芯片,根据TINA的仿真设计了升压电路,题目的要求是输入5-8V,输出9-12V,但是在测试的时候,输入8V,但输出竟然只有5V左右,不知道是怎么回事,TINA的仿真显示可以升压到12V。
咨询了国赛的学长, 学长说是IC保护了,输入电流过大,那怎么来减小输入电流呢?
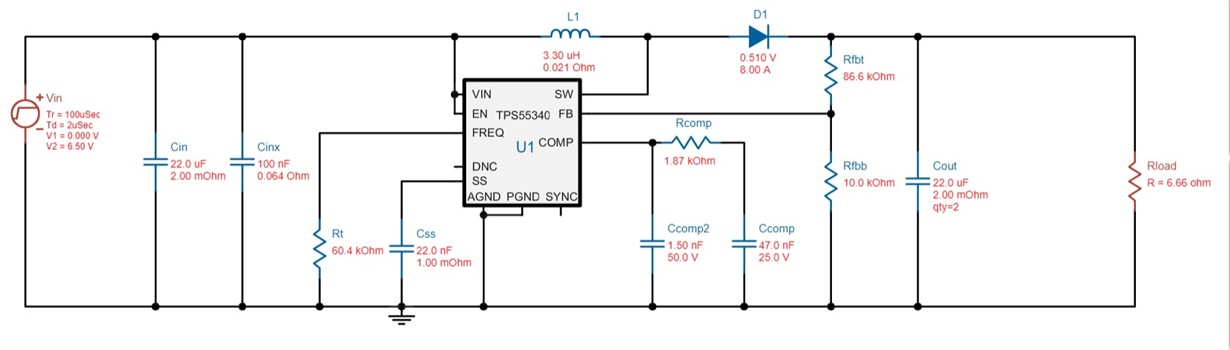
Tina仿真图如下:
This thread has been locked.
If you have a related question, please click the "Ask a related question" button in the top right corner. The newly created question will be automatically linked to this question.
最近在做电子设计竞赛,其中用到了TPS55340芯片,根据TINA的仿真设计了升压电路,题目的要求是输入5-8V,输出9-12V,但是在测试的时候,输入8V,但输出竟然只有5V左右,不知道是怎么回事,TINA的仿真显示可以升压到12V。
咨询了国赛的学长, 学长说是IC保护了,输入电流过大,那怎么来减小输入电流呢?
Tina仿真图如下:
Hi
首先你要确认功率电感的饱和是否足够,选择饱电流需要大于:最大输出功率(输出电压乘以最大输出电流)除以效率85% ,在除以输入5V, 乘以1.3倍
其次layout上输入电容要尽量靠近电感输入端,同时注意功率回路尽量小(电源对于PCB layout要求很高,洞洞板面包板之类的基本上都无法带载,但是你电压被拉到这么低,最可能是功率电感饱和)
最后注意输入电源不要功率限制了。